СКЛАД ЗАКОНОВ

    

СКЛАД ЗАКОНОВ. Главная тема
16+

СКЛАД ЗАКРЫТ

#вируспруденция обнулила вообще всё!

 

Реклама на сайте                   

 

 

ГОСТ Р 50460-92 Знак соответствия при обязательной сертификации. Форма, размеры и технические требования

 

Государственный стандарт РФ

 

1 Разработан Всероссийским научно-исследовательским институтом сертификации (ВНИИС) Госстандарта России и Всероссийским научно-исследовательским институтом комплексной информации по стандартизации и качеству (ВНИИКИ) Госстандарта России

Внесен Главным управлением технической политики в области сертификации Госстандарта России

2 Утвержден и введен в действие постановлением Госстандарта России от 28 декабря 1992 г. N 1570

3 Введен впервые

4 Переиздание. Ноябрь 1998 г.

В настоящий документ внесены изменения следующими документами:

Изменение N 3, принятое постановлением Госстандарта РФ от 15 июня 2001 N 237-ст

Изменения вводятся в действие с 1 июля 2001 г.

Изменение N 2, принятое постановлением Госстандарта РФ от от 11 сентября 2000 г. N 227-ст

Изменения вводятся в действие с 1 ноября 2000 г.

Изменение N 1, принятое постановлением Госстандарта РФ от 4 ноября 1999 г. N 393-ст

Изменения вводятся в действие с 30 ноября 1999 г.

 

ГОСТ Р 50460-92

 

Знак соответствия при обязательной сертификации.

Форма, размеры и технические требования

 

Государственный стандарт РФ

 

Mark of conformity for mandatory certification.

Form, dimensions and technical requirements

 

Дата введения 1 июля 1993 г.

Введен впервые

 

1 Настоящий стандарт устанавливает форму, размеры и технические требования к знаку соответствия (в том числе к знаку соответствия, защищенному от подделок), применяемому в Системе сертификации ГОСТ Р для указания соответствия маркированной им продукции, работ и услуг требованиям, предусмотренным для обязательного подтверждения соответствия (рисунки 1 - 4).

 

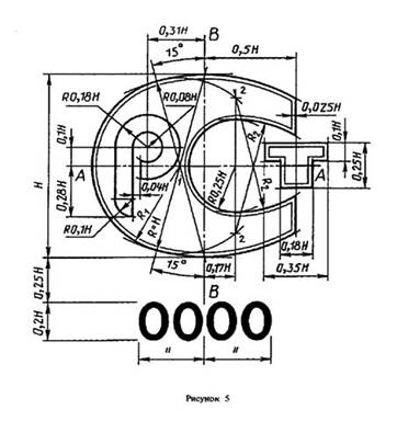
2 Размеры знака соответствия определяет предприятие (организация, учреждение), получившее право на его применение, установлением базового размера Н (рисунок 5). Базовый размер Н должен быть не менее 4 мм.

Размеры знака соответствия должны гарантировать четкость и различимость его элементов невооруженным глазом.

Код органа по сертификации, выдавшего сертификат соответствия, наносят на расстоянии 0,25 Н под графическим изображением знака соответствия по рисунку 5, симметрично относительно вертикальной оси В знака шрифтом, приведенным на рисунке 6, высотой 0,2 Н.

При применении знака соответствия для продукции, соответствие которой подтверждено декларацией о соответствии, код органа по сертификации, зарегистрировавшего декларацию о соответствии, под графическим изображением знака соответствия не наносится.

3 Изображение знака соответствия должно быть четко отличимым от поверхности изделия.

4 Знак соответствия выполняют различными технологическими способами, обеспечивающими его четкое и ясное изображение в течение всего срока службы изделия.

 

ГОСТ Р 50460-92 Знак соответствия при обязательной сертификации. Форма, размеры и технические требования

Рисунок 1

 

ГОСТ Р 50460-92 Знак соответствия при обязательной сертификации. Форма, размеры и технические требования

Рисунок 2

 

ГОСТ Р 50460-92 Знак соответствия при обязательной сертификации. Форма, размеры и технические требования

Рисунок 3

 

ГОСТ Р 50460-92 Знак соответствия при обязательной сертификации. Форма, размеры и технические требования

Рисунок 4

 

ГОСТ Р 50460-92 Знак соответствия при обязательной сертификации. Форма, размеры и технические требования

Рисунок 5

 

ГОСТ Р 50460-92 Знак соответствия при обязательной сертификации. Форма, размеры и технические требования

Рисунок 6

 

5 Знак соответствия, защищенный от подделок, представляет собой предназначенную для наклейки на поверхность маркирования тонкую многослойную основу, внутри которой находится ограниченный окружностью диаметром 12 мм рельеф, создающий изображение, наблюдаемое визуально.

В центре окружности в зависимости от угла зрения должно просматриваться графическое изображение знака соответствия, выполненное согласно рисункам 1 и 5 без кода органа по сертификации, и меняющий свою форму характерный узор из тонких линий.

В верхней части круга, содержащего знак соответствия, защищенный от подделок, имеется трехразрядное буквенное обозначение серии, а в нижней - шестизначный порядковый номер данного экземпляра знака соответствия.

При попытке термического или механического воздействия на основу знака соответствия, защищенного от подделок, она должна разрушаться.

 

ГОСТ Р 50460-92 Знак соответствия при обязательной сертификации. Форма, размеры и технические требования

 

СКЛАД ЗАКОНОВ

 

 

  Яндекс цитирования