СКЛАД ЗАКОНОВ

    

СКЛАД ЗАКОНОВ. Главная тема
16+

СКЛАД ЗАКРЫТ

#вируспруденция обнулила вообще всё!

 

Реклама на сайте                   

 

 

ГОСТ Р 52748-2007 Дороги автомобильные общего пользования. Нормативные нагрузки, расчетные схемы нагружения и габариты приближения

 

НАЦИОНАЛЬНЫЙ СТАНДАРТ РОССИЙСКОЙ ФЕДЕРАЦИИ

 

ДОРОГИ АВТОМОБИЛЬНЫЕ ОБЩЕГО ПОЛЬЗОВАНИЯ

 

НОРМАТИВНЫЕ НАГРУЗКИ, РАСЧЕТНЫЕ СХЕМЫ НАГРУЖЕНИЯ

И ГАБАРИТЫ ПРИБЛИЖЕНИЯ

 

Automobile roads of the general use.

Standard loads, loading systems and clearance approaches

 

ГОСТ Р 52748-2007

 

Группа Т52

 

ОКС 93.080

 

ОКП 48 0000

 

Дата введения

1 января 2008 года

 

Предисловие

 

Цели и принципы стандартизации в Российской Федерации установлены Федеральным законом от 27 декабря 2002 г. N 184-ФЗ "О техническом регулировании", а правила применения национальных стандартов Российской Федерации - ГОСТ Р 1.0-2004 "Стандартизация в Российской Федерации. Основные положения".

 

Сведения о стандарте

 

1. Разработан ООО "Дорожный инженерный центр", Российской академией транспорта.

2. Внесен Техническим комитетом по стандартизации ТК 418 "Дорожное хозяйство" и Государственным дорожным агентством Министерства транспорта Российской Федерации.

3. Утвержден и введен в действие Приказом Федерального агентства по техническому регулированию и метрологии от 24 сентября 2007 г. N 250-ст.

4. Введен впервые.

 

См. Поправку к ГОСТ Р 52748-2007 Дороги автомобильные общего пользования. Нормативные нагрузки, расчетные схемы нагружения и габариты приближения ИУС "Национальные стандарты", N 6, 2008

См. Поправку к ГОСТ Р 52748-2007 Дороги автомобильные общего пользования. Нормативные нагрузки, расчетные схемы нагружения и габариты приближения ИУС "Национальные стандарты", N 9, 2008

 

1. Область применения

 

Настоящий стандарт распространяется на проектирование строительства, реконструкции и капитального ремонта автомобильных дорог общего пользования и устанавливает для этих дорог нормативные нагрузки, расчетные схемы нагружения и габариты приближений.

Настоящий стандарт не распространяется на проектирование временных автомобильных дорог различного назначения (сооружаемые на срок службы менее 5 лет) и автозимников.

Требования стандарта не являются основанием для проектирования автотранспортных средств.

 

2. Нормативные ссылки

 

В настоящем стандарте использована ссылка на следующий стандарт:

ГОСТ Р 52398-2005. Классификация автомобильных дорог. Основные параметры и требования.

 

Примечание. При пользовании настоящим стандартом целесообразно проверить действие ссылочных стандартов в информационной системе общего пользования - на официальном сайте в сети Интернет или по ежегодно издаваемому информационному указателю "Национальные стандарты", который опубликован по состоянию на 1 января текущего года, и по соответствующим ежемесячно издаваемым информационным указателям, опубликованным в текущем году. Если ссылочный документ заменен (изменен), то при пользовании настоящим стандартом следует руководствоваться заменяющим (измененным) документом. Если ссылочный документ отменен без замены, то положение, в котором дана ссылка на него, применяется в части, не затрагивающей эту ссылку.

 

3. Термины, определения и сокращения

 

3.1. В настоящем стандарте применены следующие термины с соответствующими определениями:

3.1.1. Мостовые сооружения: сооружения, устраиваемые при пересечении автомобильными дорогами естественных или искусственных препятствий (мосты, путепроводы, эстакады).

Примечание. К искусственным препятствиям относятся искусственные водоемы, водные каналы, автомобильные и железные дороги, конструкции строений, через которые проходит автомобильная дорога, и т.п.

 

3.1.2. Габариты приближения: предельные поперечные очертания свободного пространства в плоскости, перпендикулярной к продольной оси проезжей части, внутри которого не должны быть расположены какие-либо элементы сооружения или расположенные на них устройства.

3.1.3. Нормативные нагрузки: временные вертикальные нагрузки от транспортных средств, принимаемые в виде условных нагрузок для проектирования автомобильных дорог общего пользования и мостовых сооружений на них.

3.1.4. Схемы нагружения: расположение нагрузки в поперечном и продольном направлениях на проезжей части, обочинах и на мостовых сооружениях автомобильной дороги.

3.2. В настоящем стандарте применены следующие сокращения:

АК - нормативная нагрузка от автомобилей;

НК - нормативная нагрузка от нестандартных транспортных средств, пропускаемых в специальном режиме.

 

4. Нормативные нагрузки

 

4.1. Нормативная нагрузка от автотранспортных средств на автомобильных дорогах общего пользования представлена на рисунке 1.

 

ГОСТ Р 52748-2007 Дороги автомобильные общего пользования. Нормативные нагрузки, расчетные схемы нагружения и габариты приближения

 

а - автомобильная колесная нагрузка АК

 

ГОСТ Р 52748-2007 Дороги автомобильные общего пользования. Нормативные нагрузки, расчетные схемы нагружения и габариты приближения

 

б - тяжелая одиночная автомобильная нагрузка НК

 

d - база для нагрузки АК, м;

c - ширина колеи нагрузки, м;

q - равномерно распределенная нагрузка по колее вдоль дороги (сооружения), кН/м;

D - база для нагрузки НК, м.

 

Рисунок 1. Схема нормативной нагрузки

для расчета дорожной одежды, земляного полотна,

подпорных стен и мостовых сооружений

 

4.2. Нормативная нагрузка АК (см. рисунок 1, а) включает в себя одну двуосную тележку с нагрузкой на ось, равной 10 К (кН) и равномерно распределенной вдоль дороги. Класс нагрузки К в соответствии с 4.4.

4.3. Нормативная нагрузка НК (см. рисунок 1, б) представлена в виде одиночной четырехосной тележки с нагрузкой на каждую ось 18 К (кН). Класс нагрузки К в соответствии с 4.5.

Примечание. При расчете мостовых конструкций следует проводить проверку на воздействие сдвоенных нормативных нагрузок НК, устанавливаемых на расстоянии 12 м (между последней осью первой и передней осью второй нагрузки) с учетом понижающего коэффициента, равного 0,75.

 

4.4. Класс нагрузки К для нормативной нагрузки АК следует принимать равным для:

- автомобильных дорог категорий IА, IБ, IВ, II - 11,5;

- автомобильных дорог категорий III и IV - 10;

- автомобильных дорог категории V - 6;

- мостовых сооружений и труб на дорогах всех категорий - 14;

- деревянных мостов - 11.

Категории автомобильных дорог по ГОСТ Р 52398.

4.5. Класс нагрузки К для нормативной нагрузки НК следует принимать для расчета:

- земляного полотна автомобильных дорог всех категорий - 8,3;

- конструкций мостовых сооружений и труб на дорогах всех категорий - 14;

- конструкций деревянных мостов - 11.

4.6. Для автомобильных дорог база для нормативной нагрузки АК должна быть равна 2,5 м, для мостовых сооружений - 1,5 м.

Для мостовых сооружений площадь отпечатка колеса в статическом положении должна быть равной 0,092 м2, в движении - 0,12 м2.

Для автомобильных дорог диаметр круга, равновеликий следу отпечатка колеса в статическом положении, должен быть равен 0,34 м, в движении - 0,39 м.

См. Поправку к ГОСТ Р 52748-2007 Дороги автомобильные общего пользования. Нормативные нагрузки, расчетные схемы нагружения и габариты приближения ИУС "Национальные стандарты", N 6, 2008

 

5. Схемы нагружения

 

Расчетные схемы нагружения делятся на:

- схемы нагружения при расчете дорожных одежд;

- схемы нагружения для расчета земляного полотна и подпорных стен;

- схемы нагружения для расчета конструкций мостовых сооружений.

5.1. Схемы нагружения при расчете дорожных одежд

5.1.1. Расчет дорожных одежд выполняют в соответствии со схемой нормативной нагрузки АК. Равномерно распределенную нагрузку q вдоль направления движения в этих расчетах не учитывают.

5.1.2. Ось нормативной нагрузки АК при расчете нежестких дорожных одежд размещается на середине полосы движения проезжей части.

5.1.3. При расчете жесткой дорожной одежды плита загружается нормативной нагрузкой АК без равномерно распределенной нагрузки q по колеям с расположением колеса АК на середине внешнего края плиты (см. рисунок 1, а).

5.2. Схема нагружения для расчета земляного полотна и подпорных стен

5.2.1. При расчете устойчивости подпорных стен и откосов насыпи земляного полотна в качестве временной подвижной нагрузки принимают нормативную нагрузку НК.

При расчете осадки насыпи принимают нагрузку, приведенную на рисунке 1, а.

5.2.2. При расчете устойчивости подпорных стен и откосов насыпи нагрузка от транспортных средств приводится к эквивалентному слою грунта земляного полотна.

Толщину эквивалентного слоя грунта Рисунок 18, м, вычисляют по формуле

 

Рисунок 19,

 

где 18К - нормативная нагрузка НК, кН;

d - база нормативной нагрузки НК, м;

c - колея нормативной нагрузки НК, м;

Рисунок 20- удельный вес грунта, кН/м3.

Эквивалентный слой грунта располагается по всей ширине земляного полотна.

Вдоль земляного полотна эквивалентный слой грунта распространяется на неограниченную длину.

5.2.3. При расчете осадки насыпи нормативная нагрузка принимается в виде нормативной нагрузки, находящейся в статическом положении (см. рисунок 1, а). Равномерно распределенную нагрузку вдоль дороги, имитирующую движение колонны транспортных средств, в этом расчете не учитывают.

Нагрузка от транспортных средств приводится к эквивалентному слою грунта земляного полотна.

Толщину эквивалентного слоя грунта Рисунок 21, м, вычисляют по формуле

 

Рисунок 22,

 

где n - число полос движения;

Рисунок 23- ширина земляного полотна, м;

Рисунок 24- удельный вес грунта, кН/м3;

10К - нормативная нагрузка АК для расчета осадки насыпи, кН;

d - база нормативной нагрузки АК, м.

Эквивалентный слой грунта располагается по всей ширине земляного полотна.

Вдоль земляного полотна эквивалентный слой грунта распространяется на неограниченную длину.

5.3. Схемы нагружения для расчета конструкций мостовых сооружений

5.3.1. Схема нагружения для расчета конструкций мостовых сооружений должна отражать следующие возможные варианты:

вариант 1 - движение транспортных средств и пешеходов без каких-либо ограничений;

вариант 2 - временное стеснение габарита проезда (вследствие ремонта мостового полотна, расчистки покрытия или дорожно-транспортного происшествия);

вариант 3 - пропуск специальных транспортных средств в одиночном порядке.

5.3.2. При варианте 1 нагружение осуществляют полосами нагрузки (см. рисунок 1, а). При этом должны выполняться следующие условия:

- число полос нагрузки, размещаемой на мостовом сооружении, не должно превышать установленного числа полос движения;

- полосы нагрузки размещаются в пределах проезжей части (не включающей полосы безопасности) вдоль направления движения на расстоянии не менее 1,5 м от оси полосы нагрузки до края проезжей части (см. рисунок 1, а);

- расстояния между осями смежных полос нагрузки должны быть не менее 3,0 м;

- при нагружении моста временными вертикальными нагрузками следует учитывать использование разделительной полосы для движения, если на мостовом сооружении предусмотрена разделительная полоса шириной не менее 3 м без ограждений.

5.3.3. При варианте 2 нагружение проводят в виде двух полос, размещаемых в наиболее опасном положении по всей ширине ездового полотна (не включая полосы безопасности) (см. рисунок 1, а).

При этом оси полос нормативной нагрузки АК должны быть расположены не ближе 1,5 м от ограждения.

 

См. Поправку к ГОСТ Р 52748-2007 Дороги автомобильные общего пользования. Нормативные нагрузки, расчетные схемы нагружения и габариты приближения ИУС "Национальные стандарты", N 6, 2008

 

5.3.4. При варианте 3 нагружение проводят нагрузкой (см. рисунок 1, б), которую следует располагать вдоль направления движения в пределах проезжей части (вне полос безопасности) в отсутствие на мостовом сооружении других временных нагрузок.

 

6. Габариты приближения конструкций мостовых сооружений

 

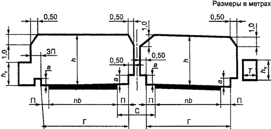
6.1. Схемы габаритов приближения конструкций на автодорожных мостах и путепроводах приведены на рисунке 2 (левая половина каждой схемы относится к случаю примыкания тротуаров к ограждениям, правая - к случаю отдельного размещения тротуаров).

 

ГОСТ Р 52748-2007 Дороги автомобильные общего пользования. Нормативные нагрузки, расчетные схемы нагружения и габариты приближения

 

а - при отсутствии разделительной полосы

 

ГОСТ Р 52748-2007 Дороги автомобильные общего пользования. Нормативные нагрузки, расчетные схемы нагружения и габариты приближения

 

б - с разделительной полосой без ограждений

 

ГОСТ Р 52748-2007 Дороги автомобильные общего пользования. Нормативные нагрузки, расчетные схемы нагружения и габариты приближения

 

в - с разделительной полосой

 

ЗП - ширина защитных полос;

Рисунок 28- габарит по высоте на тротуарах;

Т - ширина тротуаров;

a - высота ограждений;

h - габарит по высоте на проезжей части;

П - ширина полосы безопасности;

nb - общая ширина проезжей части или ширина проезжей части для движения одного направления (n - число полос движения в одном направлении, b - ширина каждой полосы движения, м), м;

Г - габарит по ширине (расстояние между ограждениями проезда, в которое входит и ширина разделительной полосы, не имеющей ограждений);

С - ширина разделительной полосы, м.

 

Рисунок 2. Схемы габаритов приближения конструкций

на автодорожных мостах и путепроводах

 

6.2. Габарит по высоте на проезжей части мостов и путепроводов на автомобильных дорогах (расстояние от поверхности проезда до верхней линии очертания габарита) должен быть, м, не менее:

- на автомобильных дорогах категорий IА, IБ, IВ, II, III - 5,0;

- на автомобильных дорогах категорий IV - V - 4,5.

Габарит по высоте на тротуарах должен быть - 2,5 м.

Категории автомобильных дорог - по ГОСТ Р 52398.

6.3. Ширина защитных полос на мостах и путепроводах должна быть не менее 0,5 м, на деревянных мостах с ездой понизу - 0,25 м.

6.4. Габариты мостов по ширине на автомобильных дорогах общего пользования определяют по таблице 1.

 

Таблица 1

 

+-----------------+-----------+-----------------------+-------------------+

¦ Категория дорог ¦Общее число¦      Габарит, м       ¦     Ширина, м     ¦
¦     общего      ¦   полос   ¦                       +---------+---------+

¦   пользования   ¦ движения  ¦                       ¦полосы   ¦проезжей ¦
¦(по ГОСТ Р 52398)¦           ¦                       ¦безопас- ¦части nb ¦
¦                 ¦           ¦                       ¦ности П  ¦         ¦
+-----------------+-----------+-----------------------+---------+---------+

¦   IА, IБ, IВ    ¦     8     ¦ Г - (17,0 + C + 17,0) ¦   2,0   ¦15,0 x 2 ¦
¦                 ¦           ¦ --------------------- ¦         ¦         ¦
¦                 ¦           ¦      2(Г - 19,0)      ¦         ¦         ¦
¦                 +-----------+-----------------------+---------+---------+

¦                 ¦     6     ¦Г - (13,25 + C + 13,25)¦   2,0   ¦11,25 x 2¦
¦                 ¦           ¦-----------------------¦         ¦         ¦
¦                 ¦           ¦     2(Г - 15,25)      ¦         ¦         ¦
¦                 +-----------+-----------------------+---------+---------+

¦                 ¦     4     ¦  Г - (9,5 + C + 9,5)  ¦   2,0   ¦ 7,5 x 2 ¦
¦                 ¦           ¦  -------------------  ¦         ¦         ¦
¦                 ¦           ¦      2(Г - 11,5)      ¦         ¦         ¦
+-----------------+-----------+-----------------------+---------+---------+

¦       II        ¦     4     ¦  Г - (9,0 + C + 9,0)  ¦   2,0   ¦ 7,0 x 2 ¦
¦                 ¦     2     ¦  -------------------  ¦   2,0   ¦   7,5   ¦
¦                 ¦           ¦       Г - 11,5        ¦         ¦         ¦
+-----------------+-----------+-----------------------+---------+---------+

¦       III       ¦     2     ¦        Г-10           ¦   1,5   ¦   7,0   ¦
¦       IV        ¦     2     ¦        Г-8 <*>        ¦   1,0   ¦   6,0   ¦
+-----------------+-----------+-----------------------+---------+---------+

¦       V         ¦     1     ¦      Г-6,5 <**>       ¦   1,0   ¦   4,5   ¦
¦                 ¦           ¦        Г-4,5          ¦   0,5   ¦   3,5   ¦
+-----------------+-----------+-----------------------+---------+---------+

¦    <*>  Для  деревянных  мостов  (кроме  мостов  из  клееной  древесины)¦
¦допускается применять габарит Г-7 для дорог категории IV.                ¦
¦    <**>  Для  деревянных  мостов  (кроме  мостов  и  клееной  древесины)¦
¦допускается применять габарит Г-6 для дорог категории V.                 ¦
¦                                                                         ¦
¦    Примечания. 1. Ширина расчетного автомобиля 2,55 м.                  ¦
¦    2. В 3-й графе в числителе указаны  габариты  мостов  при  отсутствии¦
¦ограждений  на  разделительной  полосе,  в  знаменателе  -  при   наличии¦
¦ограждений или при раздельных пролетных строениях под каждое  направление¦
¦движения.                                                                ¦
¦    3. В непредусмотренных в таблице 1  случаях габариты мостов по ширине¦
¦следует вычислять по формуле                                             ¦
¦                                                                         ¦
¦                            Г = 4П + 2nb + С.                            ¦
¦                                                                         ¦
+-------------------------------------------------------------------------+

 

6.5. На мостовых сооружениях, имеющих по одной полосе движения с каждой стороны от разделяющих устройств (в том числе рельсовых путей), габарит по ширине на каждой полосе движения должен составлять не менее 5,0 м.

6.6. Допускают полосы безопасности шириной меньшей, чем указано в таблице 1, на путепроводах - при наличии переходно-скоростных полос (со стороны этих полос) и на мостах - с дополнительной полосой движения на подъеме (со стороны этой полосы). При этом ширина полос безопасности должна быть не менее 1,0 м для мостов дорог категорий IА, IБ, IВ, II, III и не менее 0,75 м для мостов дорог категории IV.

6.7. При расположении мостов на кривых в плане проезжая часть должна быть расширена в зависимости от радиуса кривой в плане, расчетной скорости дороги и базы расчетного транспортного средства в соответствии с действующими нормами проектирования автомобильных дорог.

6.8. Ширина разделительной полосы на мосту должна быть достаточной для размещения на ней ограждения и полос безопасности.

6.9. Габариты приближения конструкций под путепроводами через автомобильные дороги должны соответствовать приведенным на рисунке 3.

 

ГОСТ Р 52748-2007 Дороги автомобильные общего пользования. Нормативные нагрузки, расчетные схемы нагружения и габариты приближения

 

а - при отсутствии ограждений на дорогах

категорий IА, IБ, IВ

 

ГОСТ Р 52748-2007 Дороги автомобильные общего пользования. Нормативные нагрузки, расчетные схемы нагружения и габариты приближения

 

б - при отсутствии ограждений на дорогах категорий IV и V

 

ГОСТ Р 52748-2007 Дороги автомобильные общего пользования. Нормативные нагрузки, расчетные схемы нагружения и габариты приближения

 

в - при наличии опор на разделительной полосе

и ограждений на дороге

 

Рисунок 3. Схемы габаритов приближения конструкций

под путепроводами

 

При расположении опор на разделительной полосе расстояние от кромки проезжей части до ближайшей грани опоры должно быть IА, IБ, IВ и II категории не менее 2,0 м (в том числе полоса безопасности 1,5 м).

При установке на разделительной полосе вместо жестких металлических ограждений расстояние от них до ближайшей грани опоры должно быть достаточным для обеспечения динамического прогиба ограждения.

6.10. Расстояния от бровки земляного полотна пересекаемой дороги до передней грани необсыпных устоев или конуса насыпи при обсыпных устоях должны быть не менее указанных в таблице 2.

 

Таблица 2

 

+-------------------+-----------------------------------------------------+

¦     Категория     ¦  Наименьшее расстояние от бровки земляного полотна  ¦
¦пересекаемой дороги¦  пересекаемой дороги до передней грани необсыпных   ¦
¦ (по ГОСТ Р 52398) ¦     устоев или конуса насыпи при проектировании     ¦
¦                   +----------+------------------------------------------+

¦                   ¦пешеходных¦   путепроводов с числом полос движения   ¦
¦                   ¦  мостов  +----------+----------+----------+---------+

¦                   ¦          ¦    2     ¦    4     ¦    6     ¦    8    ¦
+-------------------+----------+----------+----------+----------+---------+

¦IА, IБ, IВ, II, III¦   2,0    ¦   3,0    ¦   4,0    ¦   5,0    ¦   6,0   ¦
¦IV                 ¦   1,0    ¦   1,5    ¦   2,0    ¦   3,0    ¦   4,0   ¦
¦V                  ¦   0,5    ¦   0,5    ¦   0,5    ¦   0,5    ¦   0,5   ¦
+-------------------+----------+----------+----------+----------+---------+

 

Боковые поверхности промежуточных опор (со стороны дороги) следует располагать за бровкой земляного полотна пересекаемой дороги на расстоянии:

- при стоечных сквозных опорах не менее 2 м;

- при сплошных стенках на дорогах категорий IА, IБ, IВ, II, III не менее 4 м, на дорогах категорий IV, V - 0,5 м.

6.11. Вертикальное расстояние от расположенных над дорогой инженерных коммуникаций, проводов воздушных телефонных и телеграфных линий до проезжей части в местах пересечений автомобильных дорог должно быть не менее 5,5 м. Возвышение проводов над проезжей частью при пересечении с линиями электропередачи должно быть не менее:

    - 6,0 м - при напряжении до 1 кВ;

    - 7,0 м    "      "      "  110 кВ;

    - 7,5 м    "      "      "  150 кВ;

    - 8,0 м    "      "      "  220 кВ;

    - 8,5 м    "      "      "  330 кВ;

    - 9,0 м    "      "      "  500 кВ;

    - 16,0 м   "      "      "  750 кВ.

Возвышение проводов над проезжей частью определяют при расчетной максимальной температуре воздуха без учета нагрева проводов электрическим током или при расчетном налипании снега и льда без ветра.

6.12. Расстояние от бровки земляного полотна до основания опор воздушных телефонных и телеграфных линий, а также высоковольтных линий электропередачи при пересечении дорог следует принимать не менее высоты опор.

6.13. Наименьшее расстояние от бровки земляного полотна до опор высоковольтных линий электропередачи, расположенных параллельно автомобильным дорогам, следует принимать равным высоте опор плюс 5 м.

6.14. Опоры воздушных линий электропередачи, а также телефонных и телеграфных линий при их расположении в стесненных условиях, на застроенных территориях, в ущельях и т.п. допускается располагать на удалении от дорог:

- при пересечении от любой части опоры до подошвы насыпи дороги или до наружной бровки боковой канавы:

для дорог категорий IА, IБ, IВ и II при напряжении до 220 кВ - 5 м и при напряжении 330 - 500 кВ - 10 м;

для дорог категорий III, IV, V при напряжении до 20 кВ - 1,5 м, от 35 до 220 кВ - 2,5 м и при 330 - 500 кВ - 5 м;

- при параллельном следовании от крайнего провода при неотклоненном положении до бровки земляного полотна при напряжении до 20 кВ - 2 м, 35 кВ - 110 кВ - 4 м, 150 кВ - 5 м, 220 кВ - 6 м, 330 кВ - 8 м и 500 кВ - 10 м.

6.15. Габариты приближения по высоте должны соблюдаться в течение всего периода эксплуатации мостового сооружения без изменения отметки проезжей части при укладке новых слоев дорожных покрытий взамен изношенных.

 

Поправка к ГОСТ Р 52748-2007 Дороги автомобильные общего пользования. Нормативные нагрузки, расчетные схемы нагружения и габариты приближения

 

ИУС "Национальные стандарты", N 6, 2008

 

 

ОКС 93.080

 

Группа Т52

 

----------------+----------------------+--------------------------

 В каком месте  ¦    Напечатано        ¦        Должно быть

----------------+----------------------+--------------------------

 Пункт 4.6.     ¦ Для мостовых сооруже-¦              -

Второй абзац    ¦ний площадь отпечатка ¦

                ¦колеса в статическом  ¦

                ¦положении должна быть ¦

                ¦равной 0,092 м2, в    ¦

                ¦движении - 0,12 м2.   ¦

 Пункт 5.3.3.   ¦(не включая полосы    ¦(включая полосы

Первый абзац    ¦безопасности)         ¦безопасности)

 третий абзац   ¦        -             ¦Нагрузки на тротуарах от

                ¦                      ¦пешеходов отсутствуют.

 

Поправка к ГОСТ Р 52748-2007 Дороги автомобильные общего пользования. Нормативные нагрузки, расчетные схемы нагружения и габариты приближения

 

ИУС "Национальные стандарты", N 9, 2008

 

ОКС 93.080.10

 

Группа Т52

 

------------------+----------------------------------------+---------------------------------------

  В каком месте   ¦              Напечатано                ¦              Должно быть

------------------+----------------------------------------+---------------------------------------

 Пункт 1.         ¦реконструкции и капитального ремонта    ¦реконструкции автомобильных дорог

Первый абзац      ¦автомобильных дорог                     ¦
 Пункт 3.1.2      ¦элементы сооружения или расположенные   ¦элементы сооружения или устройства

                  ¦на них устройства                       ¦на них

 Пункт 3.1.3      ¦транспортных средств, принимаемые       ¦транспортных средств и пешеходов,

                  ¦                                        ¦принимаемые

 Пункт 3.2.       ¦от нестандартных транспортных средств,  ¦от транспортных средств, осуществляющих

Третий абзац      ¦пропускаемых в специальном режиме.      ¦перевозки тяжеловесных грузов.

 Пункт 4.1.       ¦                                        ¦
Рисунок 1а.       ¦                                        ¦
Полоса нагрузки.  ¦             q = 0,5 К                  ¦q = K

Вид слева         ¦                                        ¦
 вид справа       ¦             q = 0,5 K                  ¦0,5 К

(2 раза)          ¦                                        ¦
 подрисуночная    ¦а - автомобильная колесная нагрузка АК  ¦а - нагрузка АК

подпись           ¦                                        ¦
 Рисунок 1б. Под- ¦б - тяжелая одиночная автомобильная     ¦б - нагрузка НК

рисуночная подпись¦нагрузка НК                             ¦
 для q            ¦нагрузка по колее вдоль дороги          ¦нагрузка вдоль дороги (сооружения),

                  ¦(сооружения), кН/м;                     ¦кН/м;

 Пункт 4.2        ¦равномерно распределенной вдоль дороги. ¦равномерно распределенную вдоль дороги

                  ¦                                        ¦нагрузку интенсивностью К (кН/м).

 Пункт 4.3.       ¦следует проводить проверку              ¦следует также проводить проверку

Примечание        ¦                                        ¦
 Пункт 4.6.       ¦база для нормативной нагрузки АК        ¦база тележки для нормативной нагрузки

Первый абзац      ¦                                        ¦АК

 Пункт 4.7        ¦                   -                    ¦4.7 Интенсивность нормативной нагрузки

                  ¦                                        ¦от пешеходов на тротуарах (служебных

                  ¦                                        ¦проходах) и пешеходных мостах

                  ¦                                        ¦составляет 4 кН/м2 без учета нагрузки

                  ¦                                        ¦АК и 2 кН/м2 при учете совместно с

                  ¦                                        ¦нагрузкой АК.

 Пункт 5.2.1.     ¦нагрузку, приведенную на рисунке 1а.    ¦нагрузку АК.

Второй абзац      ¦                                        ¦
 Пункт 5.2.2.     ¦           18К                          ¦            4 х 18К

Формула           ¦Н  =                            ,       ¦Н  = ---------------------------,

                  ¦ э   (d + 0,2) (с + 0,8) гамма          ¦ э   (D + 0,2) (c + 0,8) гамма

                  ¦                              гр        ¦                              гр

                  ¦где 18К - нормативная нагрузка НК, кН   ¦где 18К - нормативная осевая нагрузка

                  ¦                                        ¦НК, кН

 Пункт 5.3. После ¦                   -                    ¦При расчете элементов мостовых

наименования      ¦                                        ¦сооружений нормативные нагрузки должны

(перед пунктом    ¦                                        ¦устанавливаться в наиболее невыгодное

5.3.1)            ¦                                        ¦для рассчитываемого элемента положение.

 Пункт 5.3.2.     ¦полосами нагрузки (см. рисунок 1а).     ¦полосами нагрузки АК.

Первый абзац      ¦                                        ¦
 Пункт 5.3.3.     ¦размещаемых в наиболее опасном положении¦полос нагрузки АК, расположенных в

Первый абзац      ¦по всей ширине ездового полотна (включая¦наиболее опасном положении по ширине

                  ¦полосы безопасности) (см. рисунок 1а)   ¦ездового полотна (включая полосы

                  ¦                                        ¦безопасности). На мостах под одну

                  ¦                                        ¦полосу движения нагружение проводится

                  ¦                                        ¦одной полосой нагрузки АК.

 Пункт 5.3.4      ¦нагрузкой (см. рисунок 1б),             ¦нагрузкой НК,

 Пункт 6.1.       ¦              Рисунок                   ¦                Рисунок

Рисунок 2а        ¦                                        ¦

                   

Рисунок 2в.       ¦в - с разделительной полосой            ¦в - с разделительной полосой при

Подрисуночная     ¦                                        ¦наличии ограждения

подпись           ¦                                        ¦
 Пункт 6.4.       ¦ +--+-+-------------------+---+-------+ ¦ +--+-+-------------------+---+-------+

Таблица 1. Для    ¦ ¦II¦4¦Г - (9,0 + С + 9,0)¦2,0¦7,0 х 2¦ ¦ ¦II¦4¦Г - (9,0 + С + 9,0)¦2,0¦7,0 х 2¦
категории дорог II¦ ¦  ¦2¦     Г - 11,5      ¦2,0¦  7,5  ¦ ¦ ¦  ¦ ¦-------------------¦   ¦       ¦
                  ¦ +--+-+-------------------+---+-------+ ¦ ¦  ¦ ¦    2 (Г - 11)     ¦   ¦       ¦
                  ¦                                        ¦ ¦  ¦2¦      Г - 11,5     ¦2,0¦  7,5  ¦
                  ¦                                        ¦ +--+-+-------------------+---+-------+

 примечание 1     ¦Ширина расчетного автомобиля 2,55 м.    ¦Ширина расчетного автомобиля - 2,5 м.

 примечание 3.    ¦          Г = 4П + 2nb + C.             ¦       Г = П + nb + С + nb + П.

Формула           ¦                                        ¦
 Пункт 6.9.       ¦на разделительной полосе вместо жестких ¦на разделительной полосе металлических

Третий абзац      ¦металлических ограждений                ¦ограждений

 Пункт 6.10.      ¦                   -                    ¦            Размеры в метрах

Таблица 2. Перед  ¦                                        ¦
головкой таблицы  ¦                                        ¦
 Пункт 6.11.      ¦                                        ¦
Второй - восьмой  ¦ 6,0 м - при напряжении до   1 кВ;      ¦ 6,0 м - при напряжении    до   1 кВ;

абзацы            ¦ 7,0 м    "      "      "  110 кВ;      ¦ 7,0 м    "   "  от   1 кВ до 110 кВ;

                  ¦ 7,5 м    "      "      "  150 кВ;      ¦ 7,5 м    "   "  от 110 кВ до 150 кВ;

                  ¦ 8,0 м    "      "      "  220 кВ;      ¦ 8,0 м    "   "  от 150 кВ до 220 кВ;

                  ¦ 8,5 м    "      "      "  330 кВ;      ¦ 8,5 м    "   "  от 220 кВ до 330 кВ;

                  ¦ 9,0 м    "      "      "  500 кВ;      ¦ 9,0 м    "   "  от 330 кВ до 500 кВ;

                  ¦16,0 м    "      "      "  750 кВ.      ¦16,0 м    "   "  от 500 кВ до 750 кВ.

 

ГОСТ Р 52748-2007 Дороги автомобильные общего пользования. Нормативные нагрузки, расчетные схемы нагружения и габариты приближения

 

СКЛАД ЗАКОНОВ

 

 

  Яндекс цитирования